| Tomperature 범위 | -55~+155℃ | 절연 저항 | ≥1000MΩ | ||
| 특징 임피던스 | 50Ω | 전압 저항 전압 | 500V | ||
| VSWR는 | 직선 | ≤1.22(0-1GHz) | 접촉 저항 | 센터 지휘자 | ≤0.005Ω |
| ≤1.35(0-3GHz) | 외부 지체 | ≤0.0025Ω | |||
| 오른쪽 각도 | ≤1.50(0~1GHz) | 주파수 범위 | |||
| ≤1.63(0~3GHz) | Durablty는 | 500 주기 | |||

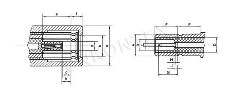
| 상징 | 플러그 (mm) | |
| 최소 | 최대 | |
| a | φ4.50 | - |
| b) | φ2.74 | - |
| d | 1.35 | |
| e | 2.74 | |
| f | - | 2.26 |
| g | 0.53 | - |
| h | 0.53 | 0.89 |
| 상징 | 잭 (mm) | |
| 최소 | 최대 | |
| A | - | φ2.69 |
| B | φ1.37 | - |
| C | φ0.35 | φ0.38 |
| D | φ2.10 | φ2.14 |
| E | 2.30 | - |
| F | 2.77 | |
| G | - | 2.44 |
| H | 0.00 | 0.13 |
| J | - | 0.56 |
전화
이메일
Top